单击打开
磁光开关1×4
产品特点
低插入损耗
结构紧凑
us级切换速度
超低功耗
应用范围
无源光网络
光保护系统
测量系统
网络监控
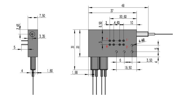
外形尺寸(mm)
底视图

可选购驱动板

电接口:Molex(P/N:0022057068)
说 明:1×4高速磁光开关的最大电源电压为DC7V,建议使用6V电源。
驱动板控制逻辑
|
Optical channel |
Ctr1 |
Ctr2 |
remark |
|
IN→OUT1 |
0 |
0 |
5V TTL |
|
IN→OUT2 |
1 |
1 |
5V TTL |
|
IN→OUT3 |
0 |
1 |
5V TTL |
|
IN→OUT4 |
1 |
0 |
5V TTL |
订购信息 HC-MOS-1×4ZT -A-B-C-D-E-F
|
A |
B |
C |
D |
E |
F |
|
工作模式 |
切换速度 |
工作波长 |
光纤类型 |
光纤长度 |
连接头类型 |
|
1.单向 2. 双向
|
1. 50~200us 2.2~20us 3. Others |
1.CBand1525~1565 nm 2. Others
|
1.250μm fiber 2. 900μm fiber 3. Others |
1.0.5 +/- 0.1 m 2. 1.0 +/- 0.1 m 3. Others |
0.No Connector 1. FC/UPC 2. FC/APC 3. SC/UPC 4. SC/APC 5. LC/PC 6. MU/PC 7. Others |
|
Item |
Unit |
Parameters |
Notes |
|
|
单向 |
双向 |
|||
|
波长范围 |
nm |
1525 ~ 1565 |
|
|
|
插入损耗 |
dB |
0.7 (Typ.); 1.5(Max.) |
0.8 (Typ.); 1.8(Max.) |
|
|
偏振相关损耗 |
dB |
0.15 (Typ.); 0.25(Max.) |
0.15 (Typ.); 0.30(Max.) |
|
|
回损 |
dB |
≥40(Typ.50) |
≥40(Typ.40) |
|
|
串扰 |
dB |
≥30(Typ.50) |
≥30(Typ.40) |
|
|
偏振模式色散 |
ps |
0.2 |
|
|
|
重复性 |
dB |
+/- 0.01 |
|
|
|
持续性 |
cycles |
>1000Billions |
|
|
|
切换速度 |
μs |
|
||
|
工作温度 |
°C |
-40 ~ 70 |
|
|
|
存储温度 |
°C |
-40 ~ 85 |
|
|
|
光功率 |
mW |
500 |
|
|
|
尺寸( L×W×H ) |
mm |
37×21x7.5 |
|
|
*. 所有规格的损耗不包括连接头的损耗,并且不包括在特殊环境下的损耗.
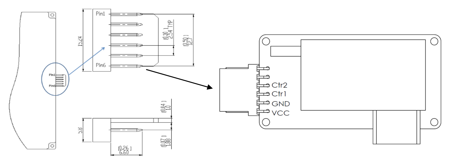
驱动管脚定义
单向
|
Pin No. |
Pin1 |
Pin2 |
Pin3 |
Pin4 |
Pin5 |
Pin6 |
Pin7 |
Pin8 |
|
|
+ |
— |
+ |
— |
— |
— |
— |
— |
|
|
— |
+ |
— |
+ |
— |
— |
— |
— |
|
|
+ |
— |
— |
+ |
— |
— |
— |
— |
|
|
— |
+ |
+ |
— |
— |
— |
— |
— |
双向
|
Pin No. |
Pin1 |
Pin2 |
Pin3 |
Pin4 |
Pin5 |
Pin6 |
Pin7 |
Pin8 |
|
IN←→OUT1 |
+ |
- |
+ |
- |
— |
— |
— |
— |
|
IN←→OUT2 |
- |
+ |
- |
+ |
— |
— |
— |
— |
|
IN←→OUT3 |
+ |
- |
- |
+ |
— |
— |
— |
— |
|
IN←→OUT4 |
- |
+ |
+ |
- |
— |
— |
— |
— |
电控参数
|
Parameters |
Specifications |
Unit |
|
|
Regular |
Ultra-fast |
||
|
Switching Speed |
50~200 |
2~20(Typ.5) |
μs |
|
Switching Voltage (VCC) |
3(+/-5%) |
3-7.5 |
V |
|
Switching Current |
< 100 |
< 350 |
mA |
|
Driving Mode |
Voltage or Pulse Driving |
Pulse Driving |
NA |
|
Pulse Width (typical) |
300(Typ.); 500(Max.) |
20 |
μs |
|
Claim Frequency |
<1000 |
< 3500 |
Hz |
备注:1.建议脉冲宽度<200us,如果脉冲宽度为20us,建议将电压调节为7v。
2.开关用于高频开关时,不建议长时间使用,如果需要长时间高频开关,建议使用散热装置。